
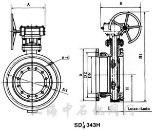
产品型号:SDtd343H/F/X
产品名称:蜗轮传动法兰式
产品特点:蜗轮传动法兰式伸缩蝶阀,蜗轮传动蝶阀,法兰式伸缩蝶阀
二、伸缩蝶阀SDtd343H/F/X-6/10/16系列连接尺寸:
|
公称通径 |
外形尺寸(参考值) |
法兰尺寸和螺栓孔尺寸(标准值) |
||||||||||||||||||
|
H |
H1 |
设计长度 |
设计长度 |
设计长度 |
A |
B |
0.6MPa |
1.0MPa |
1.6MPa |
|||||||||||
|
毫米 |
英寸 |
D |
D1 |
D2 |
n-d |
D |
D1 |
D2 |
n-d |
D |
D1 |
D2 |
n-d |
|||||||
|
50 |
2 |
80 |
309 |
164 |
138 |
151 |
180 |
200 |
140 |
110 |
88 |
4-14 |
165 |
125 |
99 |
4-18 |
165 |
125 |
99 |
4-18 |
|
65 |
2 1/2 |
95 |
337 |
190 |
154 |
172 |
180 |
200 |
160 |
130 |
108 |
4-14 |
185 |
145 |
118 |
4-18 |
185 |
145 |
118 |
4-18 |
|
80 |
3 |
98 |
347 |
195 |
163 |
177 |
180 |
200 |
190 |
150 |
124 |
4-18 |
200 |
160 |
132 |
8-18 |
200 |
160 |
132 |
8-18 |
|
100 |
4 |
114 |
373 |
227 |
184 |
206 |
180 |
200 |
210 |
170 |
144 |
4-18 |
220 |
180 |
156 |
8-18 |
220 |
180 |
156 |
8-18 |
|
125 |
5 |
128 |
405 |
254 |
201 |
215 |
180 |
200 |
240 |
200 |
174 |
8-18 |
250 |
210 |
184 |
8-18 |
250 |
210 |
184 |
8-18 |
|
150 |
6 |
139 |
440 |
240 |
195 |
225 |
270 |
280 |
265 |
225 |
199 |
8-18 |
285 |
240 |
211 |
8-22 |
285 |
240 |
211 |
8-22 |
|
200 |
8 |
174 |
612 |
265 |
215 |
245 |
400 |
425 |
320 |
280 |
254 |
8-18 |
340 |
295 |
266 |
8-22 |
340 |
295 |
266 |
12-22 |
|
250 |
10 |
215 |
693 |
295 |
235 |
265 |
400 |
425 |
375 |
335 |
309 |
12-18 |
395 |
350 |
319 |
12-22 |
405 |
355 |
319 |
12-26 |
|
300 |
12 |
245 |
747 |
308 |
254 |
282 |
450 |
560 |
440 |
395 |
363 |
12-22 |
445 |
400 |
370 |
12-22 |
460 |
410 |
370 |
12-26 |
|
350 |
14 |
270 |
802 |
325 |
271 |
300 |
450 |
560 |
490 |
445 |
413 |
12-22 |
505 |
460 |
429 |
16-22 |
520 |
470 |
429 |
16-26 |
|
400 |
16 |
305 |
991 |
345 |
283 |
314 |
535 |
580 |
540 |
495 |
463 |
16-22 |
565 |
515 |
480 |
16-26 |
580 |
525 |
480 |
16-30 |
|
450 |
18 |
325 |
1037 |
370 |
314 |
340 |
535 |
580 |
595 |
550 |
518 |
16-22 |
615 |
565 |
530 |
20-26 |
640 |
585 |
548 |
20-30 |
|
500 |
20 |
360 |
1127 |
377 |
316 |
346 |
535 |
586 |
645 |
600 |
568 |
20-22 |
670 |
620 |
582 |
20-26 |
715 |
650 |
609 |
20-33 |
|
600 |
24 |
445 |
1377 |
446 |
388 |
417 |
570 |
660 |
755 |
705 |
667 |
20-26 |
780 |
725 |
682 |
20-30 |
840 |
770 |
720 |
20-36 |
|
700 |
28 |
505 |
1496 |
445 |
395 |
425 |
750 |
550 |
860 |
810 |
772 |
24-26 |
895 |
840 |
794 |
24-30 |
910 |
840 |
794 |
24-36 |
|
800 |
32 |
560 |
1584 |
479 |
425 |
455 |
750 |
550 |
975 |
920 |
878 |
24-30 |
1015 |
950 |
901 |
24-33 |
1025 |
950 |
901 |
24-39 |
|
900 |
36 |
630 |
1676 |
515 |
455 |
485 |
750 |
550 |
1075 |
1020 |
978 |
24-30 |
1115 |
1050 |
1001 |
28-33 |
1125 |
1050 |
1001 |
28-39 |
|
1000 |
40 |
680 |
1760 |
525 |
465 |
495 |
900 |
750 |
1175 |
1120 |
1078 |
28-30 |
1230 |
1160 |
1112 |
28-36 |
1255 |
1170 |
1112 |
28-42 |
|
1200 |
48 |
795 |
2018 |
574 |
512 |
542 |
1000 |
925 |
1405 |
1340 |
1295 |
32-33 |
1455 |
1380 |
1328 |
32-39 |
1485 |
1390 |
1328 |
32-48 |
|
1400 |
56 |
900 |
2363 |
599 |
547 |
572 |
1000 |
925 |
1630 |
1560 |
1510 |
36-36 |
1675 |
1530 |
1530 |
36-42 |
1685 |
1590 |
1530 |
36-48 |
|
1600 |
64 |
1100 |
<, P align=center>2723
|
640 |
589 |
615 |
1000 |
925 |
1830 |
1760 |
1710 |
40-36 |
1915 |
1820 |
1750 |
40-48 |
1930 |
1820 |
1750 |
40-56 |
|
1800 |
72 |
1124 |
2844 |
725 |
670 |
695 |
1100 |
980 |
2045 |
1970 |
1718 |
44-39 |
2115 |
2020 |
1950 |
44-48 |
2130 |
2020 |
1950 |
44-56 |
|
2000 |
80 |
1292 |
3127 |
764 |
680 |
722 |
1100 |
980 |
2265 |
2180 |
2125 |
48-42 |
2325 |
2230 |
2150 |
48-48 |
2345 |
2230 |
2150 |
|
公司总机:021-6651 6999
销售部: 021-5161 9977 021-5161 9868
公司传真:021-5647 6999
E-mail : zshfm@zshvalve.com
版权所有:上海中石化阀门制造有限公司 沪ICP备11040876号-1
简体中文版
English
